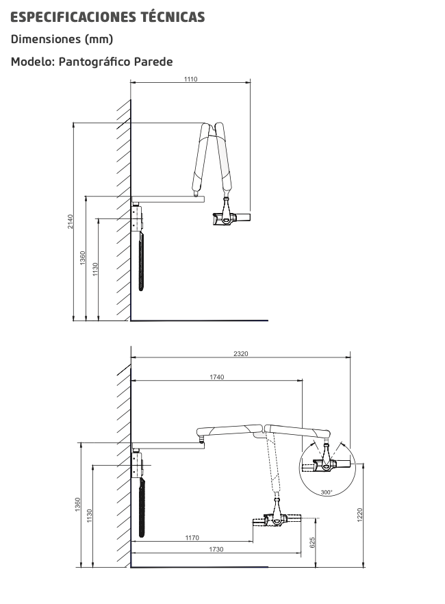
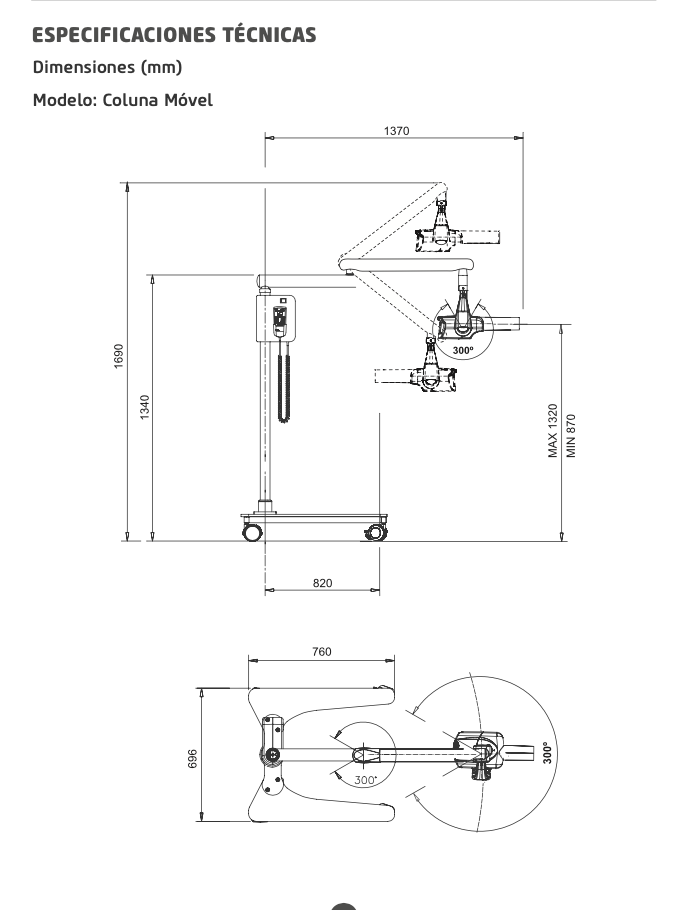
1.Permite la utilización en las más variadas posiciones con suavidad en los movimientos y excelente estabilidad. Excede las expectativas de ergonomía y funcionalidad a través de innovaciones que lo indican en ambientes donde se busca productividad, calidad y seguridad. 2.Exclusiva Tecnología Verde 95% menos de plomo El cabezal del equipo AXR está hecho de un material ligero con alto grado de aislamiento de la radiación. 3.Ligereza y precisión de movimientos Su movimiento es suave, preciso, fácil manejo y una excelente estabilidad. 4.Panel de control y pulsador con cable de 5 mt Selección de tipo de pieza y ajuste de tiempo El profesional puede optar por la pre programación para controlar el dispositivo, utilizando un intervalo de tiempo de acuerdo a sus necesidades Permite operaciones de centésimos con tomas a partir de los 0.06 segundos. Con 25 intervalos de tiempo de exposición establecidos en el sistema, adaptado a las normas preconcebidas. Modelos Pedestal Mural con brazo pantográfico Especificaciones Clasificación de la unidad dental según ANVISA: Clase III Protección contra choque eléctrico: Equipo de Clase I - Parte aplicada de Tipo B Tiempo ON: 3,2 segundos / OFF: 30 segundos Protección contra penetración nociva de agua o material reducido a partículas: IP00 Generador: Inmerso en Aceite Aceite de Transformador: Lubrax Industrial AV-58-BR-Petrobras Colimador Cilíndrico: Totalmente Blindado Material del Blanco: Tungsteno Eje de Referencia: 19º con relación al ánodo Ángulo del Blanco:19º Valor del Punto Focal Nominal: 0,8 x 0,8mm (ubicado con relación al eje de referencia del tubo RX conforme IEC336/1982) Presentación Por unidad
1.Permite la utilización en las más variadas posiciones con suavidad en los movimientos y excelente estabilidad. Excede las expectativas de ergonomía y funcionalidad a través de innovaciones que lo indican en ambientes donde se busca productividad, calidad y seguridad. 2.Exclusiva Tecnología Verde 95% menos de plomo El cabezal del equipo AXR está hecho de un material ligero con alto grado de aislamiento de la radiación. 3.Ligereza y precisión de movimientos Su movimiento es suave, preciso, fácil manejo y una excelente estabilidad. 4.Panel de control y pulsador con cable de 5 mt Selección de tipo de pieza y ajuste de tiempo El profesional puede optar por la pre programación para controlar el dispositivo, utilizando un intervalo de tiempo de acuerdo a sus necesidades Permite operaciones de centésimos con tomas a partir de los 0.06 segundos. Con 25 intervalos de tiempo de exposición establecidos en el sistema, adaptado a las normas preconcebidas. Modelos Pedestal Mural con brazo pantográfico Especificaciones Clasificación de la unidad dental según ANVISA: Clase III Protección contra choque eléctrico: Equipo de Clase I - Parte aplicada de Tipo B Tiempo ON: 3,2 segundos / OFF: 30 segundos Protección contra penetración nociva de agua o material reducido a partículas: IP00 Generador: Inmerso en Aceite Aceite de Transformador: Lubrax Industrial AV-58-BR-Petrobras Colimador Cilíndrico: Totalmente Blindado Material del Blanco: Tungsteno Eje de Referencia: 19º con relación al ánodo Ángulo del Blanco:19º Valor del Punto Focal Nominal: 0,8 x 0,8mm (ubicado con relación al eje de referencia del tubo RX conforme IEC336/1982) Presentación Por unidad